Centro de productos
-
Estación de monitoreo de equipos hidrológicos
-
Sensor de monitorización de la calidad del agua
-
Equipos de protección de plantas
-
Equipos de prueba de alimentos
- Estaciones de monitoreo del nivel de agua de Fengtu Technology: garantizando la eficiencia del embalse
- Monitores de humedad del suelo: facilitando la gestión científica de la humedad agrícola
- Sistema de Monitoreo del Nivel de Agua: Mejora de la Seguridad de los Embalses a Pequeña Escala mediante el Monitoreo Hidrológico Inteligente
- Principios y funciones de las estaciones de monitoreo de la humedad del suelo en la producción agrícola
- El papel del sistema de monitoreo del nivel del agua en la prevención de inundaciones en ríos y embalses
- Cómo los monitores de humedad del suelo potencian la producción agrícola con datos en tiempo real y gestión inteligente
Shandong Fengtu Compañía de tecnología IoT, Ltd.
Gerente de ventas:Sra. Emily Wang
Tel, Whatsapp:+86 15898932201
Correo:info@fengtutec.com
Dirección:Acelerador de la Industria Optoelectrónica (Fase I), n.° 155, Circuito Óptico, Zona de Alta Tecnología, ciudad de Weifang, provincia de Shandong

Sonda de humedad del suelo
Modelo:WS485
Marca:fengtu
Productos relacionados
Detalles del producto
1、Sonda de humedad del suelo Especificaciones técnicas
Sonda de humedad del suelo está diseñado con un sistema de inserción, medición precisa, rendimiento fiable, resistencia a ácidos y álcalis, y es adecuado para una variedad de entornos de suelo.
1.Alimentación: 12 V CC
2.Consumo de energía: Menos de 0,1 W
3.Temperatura de funcionamiento: -30 °C a 70 °C
4.Interfaz de comunicación: RS485
5.Corriente de funcionamiento: 8 mA, 12 V CC
6.Intervalo mínimo de datos: 60 s
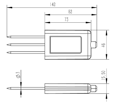
2、Sonda de humedad del suelo Dimensiones del producto

3、Sonda de humedad del suelo Precauciones de uso
1.La instalación del sensor debe seguir estrictamente las instrucciones de instalación y funcionamiento.
2.Cuando varios sensores funcionen simultáneamente, deben estar separados al menos 5 metros.
3.Debido a las limitaciones del principio de medición del sensor, se deben evitar los cables electromagnéticos y la radiación magnética intensa en un radio de 5 metros alrededor de la ubicación de medición para evitar errores de medición significativos y daños.
4.El entorno de instalación del sensor debe ser compatible con su rango de medición.Evite sobrepasar el rango y otras irregularidades.
5.Se debe evitar la instalación del sensor en entornos con ácidos, bases, aceites pesados y metales pesados.
6.Este sensor es un sensor de medición de suelos; no debe utilizarse de ninguna otra manera.
7.El entorno de instalación del sensor debe estar libre de vibraciones fuertes.
8.El sensor no debe someterse a fuerzas externas excesivas.
9.Se prohíbe el desmontaje.El desmontaje no autorizado provocará la pérdida de servicio.10.La sonda del sensor es afilada; utilice equipo de protección al utilizarla.
11.El uso y el mantenimiento del equipo deben seguir estrictamente las precauciones anteriores.No asumimos ninguna responsabilidad por cualquier incumplimiento.
4、Sonda de humedad del suelo Parámetros del sensor
| Parámetros | Rango de medición | Precisión | Resolución | Unidad |
| Temperatura del suelo | -30~70℃ | ±0.3(-10~50℃) | 0.01 | ℃ |
| Contento de humedad del suelo | 0~100% | ±3% (arcilla) Alta materia orgánica (Contenido de carbono orgánico en el suelo >12%) Alta contenido en arcilla (Contenido de arcilla >45%) posiblemente necesite una calibración específica para ciertos tipos de suelo, debido a su relámpago de relaxión dielectrico | 0.01% | --- |
URL del texto:https://www.fengtusz.com/es/Agriculture-Sensors/Soil-Moisture-Probe.html
- Artículo anterior :Sensor de lluvia y nieve
- Siguiente artículo:no más
Artículo relacionado
-
Abordar el clima extremo: monitoreo de precipitaciones y régimen hídrico con equipos profesionales de Fengtu Technology
2025-10-14 -
Sensores de humedad del suelo tipo tubo y sistemas automáticos de monitoreo del suelo de Fengtu Technology para agricultura de precisión
2025-10-14 -
Cubriendo todos los rangos de pH del suelo: Comprobador de pH del suelo Fengtu para tierras de cultivo, huertos y más
2025-10-14 -
Monitor de humedad del suelo: un sistema integral para el monitoreo de la humedad del suelo, la alerta temprana y la gestión de datos
2025-10-14 -
Sistema de Monitoreo del Nivel de Agua: Mejora de la Seguridad de los Embalses a Pequeña Escala mediante el Monitoreo Hidrológico Inteligente
2025-10-14 -
Monitores de humedad del suelo: facilitando la gestión científica de la humedad agrícola
2025-10-14 -
Sondas de humedad del suelo de múltiples profundidades: una herramienta clave para los sistemas de alerta temprana de deslizamientos de tierra
2025-10-14 -
Cómo los monitores de humedad del suelo potencian la producción agrícola con datos en tiempo real y gestión inteligente
2025-10-14


Obtenga una cotización gratis






