Centro de productos
-
Estación de monitoreo de equipos hidrológicos
-
Sensor de monitorización de la calidad del agua
-
Equipos de protección de plantas
-
Equipos de prueba de alimentos
- Estaciones de monitoreo del nivel de agua de Fengtu Technology: garantizando la eficiencia del embalse
- Monitores de humedad del suelo: facilitando la gestión científica de la humedad agrícola
- Sistema de Monitoreo del Nivel de Agua: Mejora de la Seguridad de los Embalses a Pequeña Escala mediante el Monitoreo Hidrológico Inteligente
- Principios y funciones de las estaciones de monitoreo de la humedad del suelo en la producción agrícola
- El papel del sistema de monitoreo del nivel del agua en la prevención de inundaciones en ríos y embalses
- Cómo los monitores de humedad del suelo potencian la producción agrícola con datos en tiempo real y gestión inteligente
Shandong Fengtu Compañía de tecnología IoT, Ltd.
Gerente de ventas:Sra. Emily Wang
Tel, Whatsapp:+86 15898932201
Correo:info@fengtutec.com
Dirección:Acelerador de la Industria Optoelectrónica (Fase I), n.° 155, Circuito Óptico, Zona de Alta Tecnología, ciudad de Weifang, provincia de Shandong

Sensor de temperatura y humedad del suelo
Modelo:WS485
Marca:fengtu
Productos relacionados
Detalles del producto
1、Sensor de temperatura y humedad del suelo Especificaciones técnicas
Sensor de temperatura y humedad del suelo puede medir simultáneamente el contenido de humedad volumétrica del suelo, la temperatura del suelo y otros parámetros, y se utiliza ampliamente en el campo de la producción agrícola.
1.Alimentación: 12 V CC
2.Consumo de energía: Menos de 0,1 W
3.Temperatura de funcionamiento: -30 °C a 70 °C
4.Interfaz de comunicación: RS485
5.Corriente de funcionamiento: 8 mA, 12 V CC
6.Intervalo mínimo de datos: 60 s
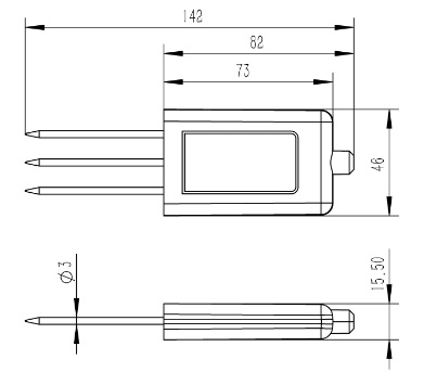
2、Sensor de temperatura y humedad del suelo Dimensiones del producto
3、Sensor de temperatura y humedad del suelo Precauciones de uso
1.La instalación del sensor debe seguir estrictamente las instrucciones de instalación y funcionamiento.
2.Cuando varios sensores funcionen simultáneamente, deben estar separados al menos 5 metros.
3.Debido a las limitaciones del principio de medición del sensor, se deben evitar los cables electromagnéticos y la radiación magnética intensa en un radio de 5 metros alrededor de la ubicación de medición para evitar errores de medición significativos y daños.
4.El entorno de instalación del sensor debe ser compatible con su rango de medición.Evite sobrepasar el rango y otras irregularidades.
5.Se debe evitar la instalación del sensor en entornos con ácidos, bases, aceites pesados y metales pesados.
6.Este sensor es un sensor de medición de suelos; no debe utilizarse de ninguna otra manera.
7.El entorno de instalación del sensor debe estar libre de vibraciones fuertes.
8.El sensor no debe someterse a fuerzas externas excesivas.
9.Se prohíbe el desmontaje.El desmontaje no autorizado provocará la pérdida de servicio.10.La sonda del sensor es afilada; utilice equipo de protección al utilizarla.
11.El uso y el mantenimiento del equipo deben seguir estrictamente las precauciones anteriores.No asumimos ninguna responsabilidad por cualquier incumplimiento.
4、Sensor de temperatura y humedad del suelo Parámetros del sensor
| Parámetros | Rango de medición | Precisión | Resolución | Unidad |
| Temperatura del suelo | -30~70℃ | ±0.3(-10~50℃) | 0.01 | ℃ |
| Contento de humedad del suelo | 0~100% | ±3% (arcilla) Alta contenido en organismo (Contenido de carbono orgánico en el suelo >12%) Alta contenido en arcilla (Contenido de arcilla >45%) Pueden ser necesarios ajustes diferentes para cada tipo de suelo, dada su relativa permanencia del relaxe dielectrico | 0.01% | --- |
URL del texto:https://www.fengtusz.com/es/Soil-monitoring/Soil-moisture-temperature-sensor.html
- Artículo anterior :Medidor meteorológico
- Siguiente artículo:Sensor de salinidad del suelo
Artículo relacionado
-
Monitor de humedad del suelo para la gestión científica de la humedad
2025-10-14 -
Funciones, capacidad de expansión del sistema de monitoreo automático del suelo para agricultura inteligente y detalles del sensor de humedad del suelo
2025-10-14 -
Medidor de salinidad del suelo: de la detección rápida de sal invisible a la gestión precisa del estado del suelo
2025-10-14 -
Equipos de monitoreo de núcleos (medidor de vertedero magnetoestrictivo, estación GNSS) y fabricante para la seguridad de presas de embalse
2025-10-14 -
Principios y funciones de las estaciones de monitoreo de la humedad del suelo en la producción agrícola
2025-10-14 -
Monitores de humedad del suelo: facilitando la gestión científica de la humedad agrícola
2025-10-14 -
Sistema Automático de Monitoreo de Suelos: Mejora de la Productividad Agrícola mediante Análisis de Datos en Tiempo Real
2025-10-14 -
Sistema de monitoreo del nivel de agua: principio de funcionamiento, escenarios de aplicación y ventajas principales
2025-10-14


Obtenga una cotización gratis






