Centro de productos
-
Estación de monitoreo de equipos hidrológicos
-
Sensor de monitorización de la calidad del agua
-
Equipos de protección de plantas
-
Equipos de prueba de alimentos
- Estaciones de monitoreo del nivel de agua de Fengtu Technology: garantizando la eficiencia del embalse
- Monitores de humedad del suelo: facilitando la gestión científica de la humedad agrícola
- Sistema de Monitoreo del Nivel de Agua: Mejora de la Seguridad de los Embalses a Pequeña Escala mediante el Monitoreo Hidrológico Inteligente
- Principios y funciones de las estaciones de monitoreo de la humedad del suelo en la producción agrícola
- El papel del sistema de monitoreo del nivel del agua en la prevención de inundaciones en ríos y embalses
- Cómo los monitores de humedad del suelo potencian la producción agrícola con datos en tiempo real y gestión inteligente
Shandong Fengtu Compañía de tecnología IoT, Ltd.
Gerente de ventas:Sra. Emily Wang
Tel, Whatsapp:+86 15898932201
Correo:info@fengtutec.com
Dirección:Acelerador de la Industria Optoelectrónica (Fase I), n.° 155, Circuito Óptico, Zona de Alta Tecnología, ciudad de Weifang, provincia de Shandong

Sensor de salinidad del suelo
Modelo:TY485
Marca:fengtu
Productos relacionados
Detalles del producto
1、Sensor de salinidad del suelo Especificaciones técnicas
Sensor de salinidad del suelo se utiliza ampliamente en la medición del contenido de sal en experimentos científicos, invernaderos, flores y hortalizas, praderas y pastos, sensores de salinidad del suelo y cultivo de plantas, etc.
1.Alimentación: 12 V CC
2.Consumo de energía: Menos de 0,1 W
3.Temperatura de funcionamiento: -30 °C a 70 °C
4.Interfaz de comunicación: RS485
5.Corriente de funcionamiento: 8 mA, 12 V CC
6.Intervalo mínimo de datos: 60 s
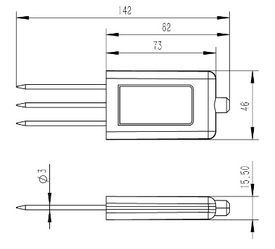
2、Sensor de salinidad del suelo Dimensiones del producto
3、Sensor de salinidad del suelo Precauciones de uso
1.La instalación del sensor debe seguir estrictamente las instrucciones de instalación y funcionamiento.
2.Cuando varios sensores funcionen simultáneamente, deben estar separados al menos 5 metros.
3.Debido a las limitaciones del principio de medición del sensor, se deben evitar los cables electromagnéticos y la radiación magnética intensa en un radio de 5 metros alrededor de la ubicación de medición para evitar errores de medición significativos y daños.
4.El entorno de instalación del sensor debe ser compatible con su rango de medición.Evite sobrepasar el rango y otras irregularidades.
5.Se debe evitar la instalación del sensor en entornos con ácidos, bases, aceites pesados y metales pesados.
6.Este sensor es un sensor de medición de suelos; no debe utilizarse de ninguna otra manera.
7.El entorno de instalación del sensor debe estar libre de vibraciones fuertes.
8.El sensor no debe someterse a fuerzas externas excesivas.
9.Se prohíbe el desmontaje.El desmontaje no autorizado provocará la pérdida de servicio.10.La sonda del sensor es afilada; utilice equipo de protección al utilizarla.
11.El uso y el mantenimiento del equipo deben seguir estrictamente las precauciones anteriores.No asumimos ninguna responsabilidad por cualquier incumplimiento.
4、Sensor de salinidad del suelo Parámetros del sensor
| Parámetros | Rango de medición | Precisión | Resolución | Unidad |
| conductividad eléctrica del suelo | 0~20000 | ±3% (15℃, 0~10000us/cm) ±5% (full range) | 1 | us/cm |
| Contenido salino del suelo | 0~12800 | ±3% | 1 | mg/L |
URL del texto:https://www.fengtusz.com/es/Soil-monitoring/Soil-salinity-sensor.html
- Artículo anterior :Sensor de temperatura y humedad del suelo
- Siguiente artículo:Sensor de temperatura, humedad y CE del suelo
Artículo relacionado
-
Robot de rescate submarino FT-SMJ1: Respuesta rápida a 48 km/h para rescates acuáticos críticos
2025-10-14 -
Ligero y estable: la ventaja del salvavidas con control remoto
2025-10-14 -
Sistema Automático de Monitoreo de Suelos: Mejora de la Productividad Agrícola mediante Análisis de Datos en Tiempo Real
2025-10-14 -
Sensores de humedad del suelo tipo tubo y sistemas automáticos de monitoreo del suelo de Fengtu Technology para agricultura de precisión
2025-10-14 -
Cubriendo todos los rangos de pH del suelo: Comprobador de pH del suelo Fengtu para tierras de cultivo, huertos y más
2025-10-14 -
Estaciones meteorológicas agrícolas: facilitan un monitoreo preciso y la toma de decisiones agrícolas basadas en datos
2025-10-14 -
Monitor de réplicas sísmicas FT-YZ2: Alertas oportunas para la seguridad tras un terremoto
2025-10-14 -
Monitores de humedad del suelo: facilitando la gestión científica de la humedad agrícola
2025-10-14


Obtenga una cotización gratis






